
Tìm hiểu sản phẩm Khớp nối răng vỏ thép KTR GEARex All-Steel Gear Coupling:
Khớp nối răng vỏ thép KTR GEARex là loại khớp nối hoàn toàn bằng thép có kích thước nhỏ nhưng truyền tải momen xoắn lớn đến 135.000Nm, khoảng cách trục rất ngắn. Hai trục hub liên kết với vỏ thép bọc ngoài thông qua bộ vít định vị, bôi trơn bằng mỡ tăng tuổi thọ và vòng đệm Oring theo tiêu chuẩn quốc tế.
Khớp nối răng vỏ thép GEARex được ứng dụng rộng rãi trong tất cả các lĩnh vực kỹ thuật cơ khí với độ vận hành an toàn vận hành cao: truyền động máy bơm, máy nén khí, nhà máy thép.
Danh sách các sản phẩm khớp nối răng vỏ thép GEARex của hãng KTR (KTR GEARex All-Steel Gear Couplings):
- GEARex FA: khớp nối răng vỏ thép một mảnh theo tiêu chuẩn AGMA, momen xoắn: 930 – 135.000 Nm.
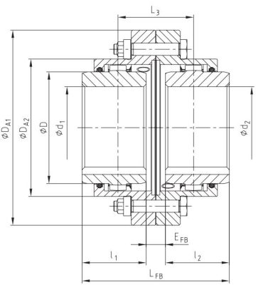
- GEARex FB: khớp nối răng vỏ thép một mảnh theo tiêu chuẩn AGMA, cả hai hub đều quay ra ngoài, momen xoắn: 930 – 135.000 Nm.
- GEARex FAB: khớp nối răng vỏ thép một mảnh theo tiêu chuẩn AGMA, vị trí lắp của hai hub là khác nhau, momen xoắn: 930 – 135.000 Nm.
- GEARex DA: khớp nối răng vỏ thép với thiết kế dễ tháo lắp, momen xoắn: 3.500 – 2.750.000 Nm.
- GEARex DB: khớp nối răng vỏ thép với thiết kế dễ tháo lắp, cả hai hub đều quay ra ngoài, momen xoắn: 3.500 – 2.750.000 Nm.
- GEARex DAB: khớp nối răng vỏ thép với thiết kế dễ tháo lắp, vị trí lắp của hai hub là khác nhau, momen xoắn: 3.500 – 2.750.000 Nm.
- GEARex FH: khớp nối răng vỏ thép theo tiêu chuẩn AGMA với khoảng cách trục lớn, momen xoắn: 930 – 620.000 Nm.
- GEARex FR: khớp nối răng vỏ thép trục đơn theo tiêu chuẩn AGMA, momen xoắn: 930 – 620.000 Nm.
- GEARex DR: khớp nối răng vỏ thép hai mảnh trục đơn, momen xoắn: 930 – 620.000 Nm.
- GEARex DH: khớp nối răng vỏ thép với khoảng cách trục lớn, momen xoắn: 930 – 620.000 Nm.
Tài liệu kỹ thuật
Bảng thông số kỹ thuật






