Trọn bộ khớp nối bánh xe cao su KCP Tire Coupling KCS-P Complete
Khớp nối bánh xe cao su KCS-P Type (hay còn gọi là khớp nối bánh xe, khớp nối Tire Couplings KCS-P) của hãng Korea Couplings làm việc với moment xoắn lớn, độ lệch trục lớn, tải biến đổi linh hoạt. Dạng khớp nối bánh xe này cho phép tháo lắp dễ dàng các chi tiết mà không cần di chuyển thiết bị, đường kính gia công lỗ trục lên đến 220mm, Torque Max 19.600 Nm, tốc độ quay 5.000 vòng/phút
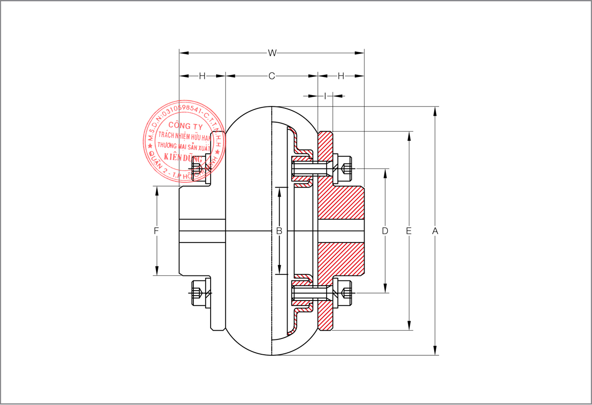
Khớp nối bánh xe KCP Tire Coupling thuộc loại khớp nối linh động, bao gồm các chi tiết với hình dạng đối xứng. Sự đối xứng đảm bảo sự cân bằng và an toàn, giảm thiểu sự mất cân bằng vốn có trong bất kỳ lắp ráp nào.
Các trục hub của khớp nối bánh xe cao su KCP tồn kho đều không được khoét lỗ trục sẵn, khi có yêu cầu bore lỗ, đội ngũ kỹ thuật của Kiên Dũng sẽ hỗ trợ khoét lỗ trục chính xác với thông số trục từ quý khách hãng.
Công ty Kiên Dũng chuyên nhập khẩu và phân phối trọn bộ khớp nối bánh xe, khớp nối cao su, khớp nối Tire Couplings KCS-P Complete (nguyên bộ hoặc các phần riêng lẻ khác: khớp hub, bánh xe tire) chính hãng từ nhà sản xuất Korea Coupling, Hàn Quốc với chất lượng cao và giá cả cạnh tranh trên thị trường Việt Nam.
Khi có bất cứ thắc mắc nào về sản phẩm khớp nối trục và thiết bị truyền động, quý khách hàng hãy liên hệ công ty Kiên Dũng chúng tôi. Đội ngũ kĩ thuật giàu kinh nghiệm và nhiệt tình sẽ lựa chọn và tư vấn cho khách hàng những sản phẩm phù hợp nhất.
Những tính năng tiêu biểu
- Cài đặt, thay thế và bảo trì nhanh chóng và đơn giản, việc thay thế bánh xe cao su có thể thực hiện mà không cần di chuyển thiết bị, điều này làm giảm đáng kể thời gian dừng máy, chi phí bảo trì cũng giảm hơn so với các tổ hợp khác vì các bộ phận ghép bằng cao su không cần bôi trơn.
- Khớp nối bánh xe cao su KCP Tire Coupling thích hợp với nhiều ứng dụng truyền động phổ biến, cung cấp tính năng sửa lỗi Taper Bush fixing.
- Bánh xe cao su tạo độ co giãn khi chịu tác động xoắn, cung cấp các đặc tính hấp thụ sốc tuyệt vời, làm giảm rung động và dao động xoắn, giảm tiếng ồn
- Khớp nối bánh xe cao su có thể sử dụng trong chống dầu, chống nước, chống khói bụi, cách điện, và cách nhiệt trong môi trường nhiệt độ cao.
- Cung cấp sự lựa chọn kết hợp với mặt bích: các khớp nối tiêu chuẩn có thể bổ sung thêm mặt bích nối dài (spacer flange) làm tăng khoảng cách lắp đặt đến đầu trục.
- Không cần bôi trơn khi hoạt động, nhưng có nguy cơ mòn bánh xe cao su hoặc cháy do ma sát.
![]()
Bảng thông số kỹ thuật các bộ khớp nối bánh xe cao su KCP Tire Coupling KCS-P


KCP Tire Coupling KCS-P 220 Complete
| Size | Torque Rating (Nm) | Allow Speed RMP | Max Bore (mm) | Min Bore (mm) | Coupling Weight (kg) | GD2 (Kg.cm-S2) | Hexa Bolt | Size |
| KCS-P 100 | 50 | 5000 | 22 | 8 | 1.0 | 0.0086 | 2x6xM18x56L | 100 |
| KCS-P 120 | 98 | 4500 | 28 | 10 | 1.9 | 0.0210 | 2x6xM24x70L | 120 |
| KCS-P 140 | 147 | 4200 | 35 | 14 | 2.8 | 0.0420 | 2x6xM24x70L | 140 |
| KCS-P 160 | 216 | 4000 | 42 | 18 | 4.3 | 0.0790 | 2x6xM16x45L | 160 |
| KCS-P 185 | 294 | 3600 | 48 | 24 | 6.5 | 0.1480 | 2x6xM6x18L | 185 |
| KCS-P 220 | 490 | 3200 | 55 | 30 | 10.4 | 0.3300 | 2x6xM8x18L | 220 |
| KCS-P 265 | 980 | 2600 | 75 | 40 | 18.8 | 0.9500 | 2x6xM10x22L | 265 |
| KCS-P 340 | 1617 | 2100 | 95 | 44 | 41.5 | 3.4000 | 2x6xM10x22L | 340 |
| KCS-P 445 | 4900 | 1600 | 128 | 54 | 87.4 | 11.6000 | 2x6xM12x25L | 445 |
| KCS-P 550 | 9800 | 1200 | 170 | 64 | 165.0 | 30.0000 | 2x6xM12x28L | 550 |
| KCS-P 700P | 19600 | 1000 | 220 | 84 | 355.0 | 84.0000 | 2x6xM12x32L | 700P |
Danh sách các bộ khớp nối bánh xe cao su KCP KCS-P mà Kiên Dũng đang tồn kho sẵn:
- Khớp nối bánh xe cao su KCP KCS-P 100 Complete
- Khớp nối bánh xe cao su KCP KCS-P 120 Complete
- Khớp nối bánh xe cao su KCP KCS-P 140 Complete
- Khớp nối bánh xe cao su KCP KCS-P 160 Complete
- Khớp nối bánh xe cao su KCP KCS-P 185 Complete
- Khớp nối bánh xe cao su KCP KCS-P 220 Complete
- Khớp nối bánh xe cao su KCP KCS-P 265 Complete
- Khớp nối bánh xe cao su KCP KCS-P 340 Complete
- Khớp nối bánh xe cao su KCP KCS-P 445 Complete
- Khớp nối bánh xe cao su KCP KCS-P 550 Complete
- Khớp nối bánh xe cao su KCP KCS-P 700P Complete





