Khớp nối trục kiểu cắt POLY PKA là kiểu mặt bích:
Khớp nối thiết kế trung tâm dạng thả cho khoảng cách trục lớn
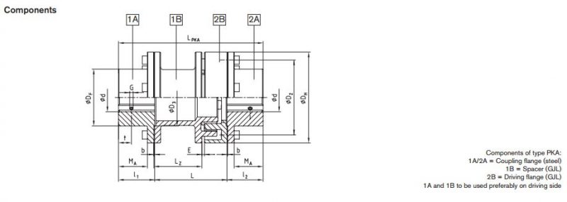
Khớp nối trục kiểu xoắn, linh hoạt POLY PKA là một khớp nối thiết kế trung tâm dạng thả như một loại mặt bích để nối các khoảng cách trục lớn.
Do các kết nối mặt bích của nó, POLY PKA là một khớp nối thiết kế trung tâm dạng thả (khớp nối mặt bích). Loại mặt bích cho phép lắp ráp xuyên tâm tương ứng. tháo khớp nối trục kiểu cắt.
Lái xe và bên bị dẫn động không cần phải dịch chuyển theo trục. Ngoài ra, khoảng cách trục lớn hơn có thể được bắc cầu bởi phần thiết kế trung tâm thả ra (tiêu chuẩn) (miếng đệm).
Bảng tra thông số kỹ thuật:


