ROTEX® AH khớp nối linh hoạt dạng xoắn với các hub tách rời:

Chỉ lắp ráp / tháo rời khớp nối xuyên tâm thông qua bốn vít Khớp nối hàm linh hoạt xoắn
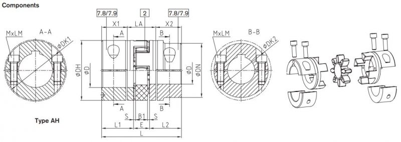
ROTEX AH là khớp nối đàn hồi với các trục chia (khớp nối nửa vỏ). Thiết kế này còn được gọi là khớp nối thiết kế trung tâm thả ra, khớp nối nửa vỏ, khớp nối kẹp, khớp nối với trung tâm tách hoặc khớp nối đàn hồi với trung tâm kẹp tách. Các trung tâm của loại khớp nối đàn hồi ROTEX A-H được tách ra. Có thể dễ dàng tháo / lắp xuyên tâm của khớp nối nửa vỏ bằng cách chỉ siết chặt và tháo bốn vít. Phiên bản có sẵn cả có và không có rãnh lông vũ. Lợi ích của khớp nối với các trung tâm phân chia: Các phiên bản có trung tâm phân chia như khớp nối nửa vỏ linh hoạt dạng xoắn. ROTEX AH đã là một phần trong phạm vi sản phẩm của chúng tôi trong nhiều thập kỷ.
Bảng tra thông số kỹ thuật:


