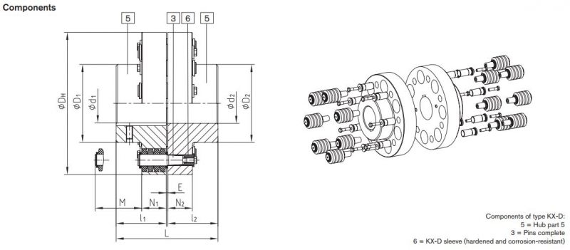
Khớp nối REVOLEX® KX-D made of cast iron flexible pin & bush coupling

Giá: Liên hệ

NHẬN BÁO GIÁ MỚI NHẤT