POLY-NORM® AZR
Khớp nối thiết kế trung tâm thả ra tiêu chuẩn linh hoạt, an toàn không hỏng hóc
Khớp nối trục với các bộ phận thiết kế trung tâm thả ra tiêu chuẩn cho khoảng cách trục lớn
Khớp nối trung tâm thả rơi tiêu chuẩn POLY-NORM® AZR linh hoạt, an toàn về mặt xoắn ốc là khớp nối trục nối các khoảng cách trục lớn với các bộ phận thiết kế trung tâm thả tiêu chuẩn.
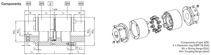
Khớp nối mặt bích trung gian để truyền lực giảm rung xoắn:
POLY-NORM AZR với các bộ phận thiết kế trung tâm thả ra tiêu chuẩn để kết nối các khoảng cách trục lớn. Khớp nối cho phép thay thế chất đàn hồi mà không cần tháo các bộ phận dẫn động hoặc dẫn động. Phạm vi ứng dụng tiêu chuẩn là ngành công nghiệp máy bơm.
Bảng tra thông số kỹ thuật:


